
成人看片粉色视频APP檢測從事成人看片网站認證行業多年,遇到各種各樣的客戶,越來越感覺到客戶需求的多樣化。作為一個成人看片网站認證一站式服務平台,從成人看片网站產品取證、成人看片网站現場安 全檢查、成人看片网站電氣設備安裝資質、涉爆粉塵檢測、成人看片网站檢測報告,再到近年來成人看片粉色视频APP承接到各種的成人看片网站電氣設備的成人看片网站設計,成人看片粉色视频APP檢測得到越來越多客戶的信任和認可。
在成人看片网站技術設計上,成人看片粉色视频APP的成人看片网站設計資深工程師具有20多年的廠用成人看片网站產品的研發和技術設計工作經驗,在成人看片网站技術中的成人看片网站結構、材料、強弱電、單片機軟硬件特別是本安技術領域積累了豐富的經驗和心得。由成人看片粉色视频APP工程師主導和參與研發的多種具有創新型的結構、電氣、電子軟硬件的成人看片网站產品 ,應用於中國及海外石油化工等行業,同時取得了多項發明專利和實用新型專利,並在本行業核心期刊上發表了多篇與電氣、成人看片网站等技術有關的論文。
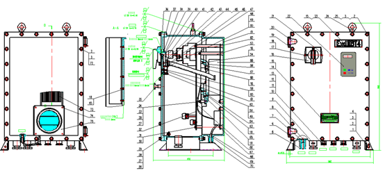
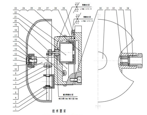
作為行業內經驗豐富的企業,成人看片粉色视频APP檢測根據客戶的需求,結合國家標準,已經為客戶提供了本安型、澆封型、隔爆型、增安型等成人看片网站型式的全套成人看片网站技術設計,設計內容包括全套結構圖紙,二維、三維設計圖,工藝文件、企標、電路圖等。
成人看片粉色视频APP檢測為客戶提供的部分成人看片网站技術設計案例:
1、成人看片网站變頻器

2、隔爆型控製器

3、本安、隔爆、澆封複合型液化石油氣自動充裝機

4、成人看片网站電鈴

服務熱線:18924609560(微信同號)
粵公網安備44030002007506號 粵ICP備42228678號
